Минералы и месторождения России и ближнего зарубежья
 
Главная / Минералы / Образец: 20910

Актинолит, Альбит

Фотография минерала Актинолит, Альбит. Буготакское месторождение диабаза.
Фотография минерала Актинолит, Альбит. Буготакское месторождение диабаза.
Фотография минерала Актинолит, Альбит. Буготакское месторождение диабаза.
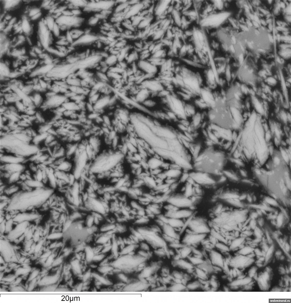
Друза кристаллов альбита в ватоподобном агрегате актинолит-асбеста. Альбит содержит многочисленные включения волокон актинолита. На дополнительных фото фрагмент друзы (размер кристалла альбита 8 мм) и фото поперечного сечения актинолит-асбеста с электронного микроскопа.

Диагностика: Образец диагностировался
Дополнительно о диагностике: ЭДС на РЭМ (ИГМ СО РАН, г. Новосибирск). Содержание видоопределяющих катионов в актинолите: FeO=16,3%, MgO=12,7%, MnO=0,47%.
Месторождение: Буготакское месторождение диабаза, Тогучинский район, Новосибирская область, Западная Сибирь, Россия
Размер: 10,0х7,0х5,5 см
Загружено: Сибиряк
© Автор фото: Хохряков А.Ф.
Дата загрузки: 04.04.2023
К-во просмотров: 672
ID: 20910

Назад

 

Внимание! Вся информация на сайте носит исключительно образовательный характер и не может служить прямым указанием к поискам минералов на месторождениях.
Использование любых авторских материалов с сайта webmineral.ru (фото, статьи, отчеты и т.д.) возможно только с разрешения загрузивших их авторов.
© Webmineral.ru, 2010-2026